户内高压真空断路器
- 厂家信息
- 产品信息
- 规格参数
- 技术文档
产品图片
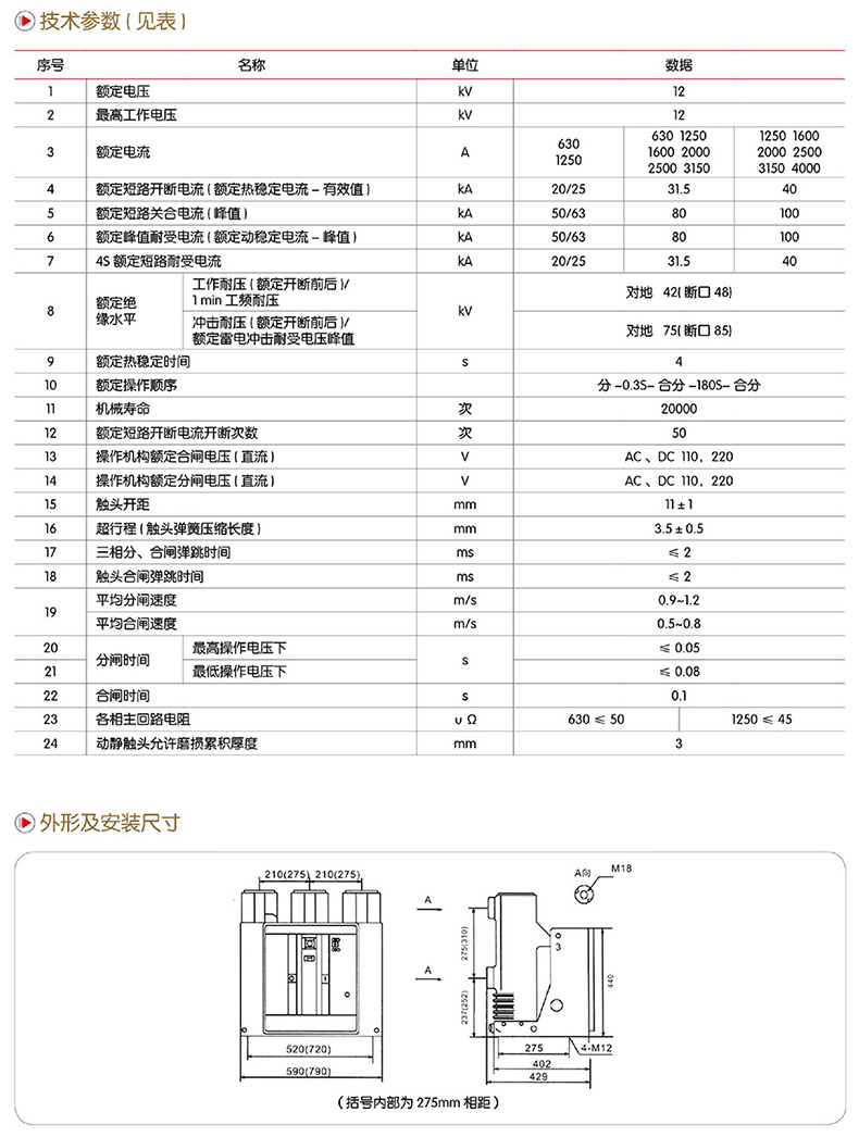
ZN63(VS1)-12系列户内固封式高压真空断路器

概 述
ZN63(VS1)-12系列户内固封式高压真空断路器采用固体绝缘结构,利用先进的环氧固封技术,首次将真空灭弧室、主导电回路、绝缘支撑等有机地组合成为一个集成固封极柱。成功地从根本上解决了真空断路器的环境耐受问题,使其应用更为广泛。集成固封极柱采用了自对流专利通风技术,巧妙地解决了固体绝缘结构所带来的散热难问题。
ZN63(VS1)-12系列户内高压固封式真空断路器是国内第一个实现免维护概念的断路器。其高寿命的真空灭弧室以及环氧浇注固封技术的应用保证了集成固封极柱的免维护,同时还可配用高可靠性永磁操动机构保证了操动机构的免维护,电子控制部分弃传统的辅助开关而代之以光电接近开关,并采用全电子化电源和智能控制单元保证了电子控制部分的免维护。
使用环境条件
1、环境温度:不高于40℃,不低于-10℃(允许在-30℃时储运)。
2、海拔高度:不超过2000m。(若需增高海拔,则额定绝缘水平相应提高)
3、相对湿度:日平均值不大于95%,饱和蒸汽压日平均值不大于2.2x10-3MPa,月平均不大于1.8x10-.3MPa。
4、地震烈度:不超过8级。 5、无火灾、爆炸、严重污秽、化学腐蚀及剧烈振动的场所。
型号含义

ZN63(VS1)-12系列户内固定式高压真空断路器

概 述
ZN63(VS1)-12系列户内固定式高压真空断路器是三相交流50Hz,额定电压为12kV的户内开关设备,可供工矿企业、发电厂及变电站、电气设施的控制和保护之用,并适合于频繁操作的场所。采用操动机构与断路器本体一体化,设计即可做为固定安装单元,也可配用专用推进机构,组成手车单元使用。主回路部分可采用整体固封极柱,以实现断路器小型化、高可靠、免维护,可配用KYN28A-12(GZS)等中置手车式开关柜,固定式也可配用于XGN系列固定式开关柜。
使用环境
1、环境温度:不高于40℃,不低于-10℃(允许在-30℃时储运)。
2、海拔高度:不超过10000m。(若需增高海拔,则额定绝缘水平相应提高)
3、相对湿度:日平均值不大于95%,饱和蒸汽压日平均值不大于2.2×10-3MPa,月平均不大于1.8×10-3MPa。
4、地及烈度:不超过8级。
5、无火灾、爆炸、严重污秽、化学腐蚀及剧烈振动的场所。
型号含义

ZN63(VS1)-12系列户内侧装式高压真空断路器

概 述
ZN63(VS1)-12系列户内侧装式高压真空断路器系户内高压开关设备,适用于额定电压12kV、频率50Hz的三相电力系统中,作为保护和控制电器使用,由于真空断路器的特殊优越性,尤其适用于需要额定电流下频繁操作,或多次开断短路电流的场所。
ZN63(VS1)-12系列侧装式真空断路器采用固定式安装,主要用于固定式开关柜,该断路器既可单独使用,又可用于环网供电、箱式变或各种非标供电系统。
使用环境
1、环境温度:不高于40℃,不低于-10℃(允许在-30℃时储运)。
2、海拔高度:不超过1000m。(若需增高海拔,则额定绝缘水平相应提高)
3、相对湿度:日平均值不大于95%,饱和蒸汽压日平均值不大于2.2×10-3MPa,月平均不大于1.8×10-3-MPa。
4、地及烈度:不超过8级。
5、无火灾、爆炸、严重污秽、化学腐蚀及剧烈振动的场所。
型号含义

ZN63(VS1)-12系列户内手车式高压真空断路器

概 述
ZN63(VS1)-12系列户内手车式高压真空断路器是三相交流50Hz,额定电压为12KV的户内开关设备,可供工矿企业、发电厂及变电站、电气设施的控制和保护之用,并适合于频繁操作的场所。采用操动机构与断路器本体一体化,设计即可做为固定安装单元,也可配用专用推进机构,组成手车单元使用。主回路部分可采用整体固封极柱,以实现断路器小型化、高可靠、免维护,可配用KYN28A-12(GZS)等中置手车式开关柜,固定式也可配用于XGN系列固定式开关柜。
使用环境
1、环境温度:不高于40℃,不低于-10(允许在-30℃时储运)。
2、海拔高度:不超过1000m。(若需增高海拔,则额定绝缘水平相应提高)
3、相对湿度:日平均值不大于95%,饱和蒸汽压日平均值不大于2.2×10-3 MPa,月平均不大于1.8×10-3MPa。
4、地震烈度:不超过8级。
5、无火灾、爆炸、严重污秽、化学腐蚀及剧烈振动的场所。
型号含义

ZN63(VS1)-24系列户内高压真空断路器

概 述
ZN6(VS1)-24系列户内高压真空断路器为额定电压24KV、三相交流50Hz的户内高压开关设备,适用于发电厂、变电所及工矿企业等输配电系统的控制和保护开关,尤其适用于高海拔地区开断重要负荷及频繁操作的场所。
断路器的制造符合我国国家标准GB1984-2003《交流高压断路器》、DL/T403-2000《3.6-40.5kV户内真空断路器订货技术条件》以及相关的IEC标准,并具有可靠联锁功能。
断路器的操动机构为弹簧储能式,可以用交、直流储能操作,也可用手动操作。
断路器同时能配长寿命的永磁操动机构,机械寿命能达3万次,可用于极其频繁操作的场合。断路器设计成前后分装的结构形式,既可用作固定安装的单元,也可与底盘车配装成中置式单元使用。
使用环境
1、环境温度:不高于4O℃,不低于-10℃(允许在-30℃时储运)。
2、海拔高度:不超过3000m。(若需增高海拔,则额定绝缘水平相应提高)
3、相对湿度:日平均值不大于95%,饱和蒸汽压日平均值不大于2.2×10-3MPa,月平均不大于1.8×10-3MPa。
4、地震烈度:不超过8级。
5、无火灾、爆炸、严重污秽、化学腐蚀及据烈振动的场所。
型号含义

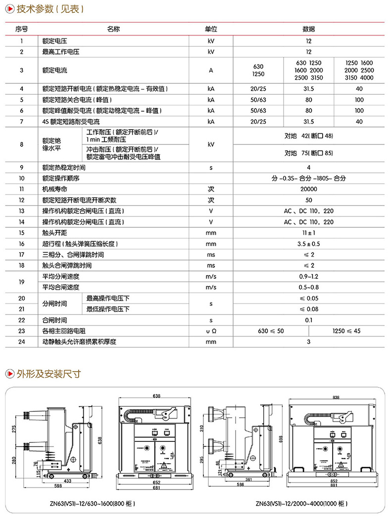
ZN63(VS1)-12系列户内固封式高压真空断路器

概 述
ZN63(VS1)-12系列户内固封式高压真空断路器采用固体绝缘结构,利用先进的环氧固封技术,首次将真空灭弧室、主导电回路、绝缘支撑等有机地组合成为一个集成固封极柱。成功地从根本上解决了真空断路器的环境耐受问题,使其应用更为广泛。集成固封极柱采用了自对流专利通风技术,巧妙地解决了固体绝缘结构所带来的散热难问题。
ZN63(VS1)-12系列户内高压固封式真空断路器是国内第一个实现免维护概念的断路器。其高寿命的真空灭弧室以及环氧浇注固封技术的应用保证了集成固封极柱的免维护,同时还可配用高可靠性永磁操动机构保证了操动机构的免维护,电子控制部分弃传统的辅助开关而代之以光电接近开关,并采用全电子化电源和智能控制单元保证了电子控制部分的免维护。
使用环境条件
1、环境温度:不高于40℃,不低于-10℃(允许在-30℃时储运)。
2、海拔高度:不超过2000m。(若需增高海拔,则额定绝缘水平相应提高)
3、相对湿度:日平均值不大于95%,饱和蒸汽压日平均值不大于2.2x10-3MPa,月平均不大于1.8x10-.3MPa。
4、地震烈度:不超过8级。 5、无火灾、爆炸、严重污秽、化学腐蚀及剧烈振动的场所。
型号含义

ZN63(VS1)-12系列户内固定式高压真空断路器

概 述
ZN63(VS1)-12系列户内固定式高压真空断路器是三相交流50Hz,额定电压为12kV的户内开关设备,可供工矿企业、发电厂及变电站、电气设施的控制和保护之用,并适合于频繁操作的场所。采用操动机构与断路器本体一体化,设计即可做为固定安装单元,也可配用专用推进机构,组成手车单元使用。主回路部分可采用整体固封极柱,以实现断路器小型化、高可靠、免维护,可配用KYN28A-12(GZS)等中置手车式开关柜,固定式也可配用于XGN系列固定式开关柜。
使用环境
1、环境温度:不高于40℃,不低于-10℃(允许在-30℃时储运)。
2、海拔高度:不超过10000m。(若需增高海拔,则额定绝缘水平相应提高)
3、相对湿度:日平均值不大于95%,饱和蒸汽压日平均值不大于2.2×10-3MPa,月平均不大于1.8×10-3MPa。
4、地及烈度:不超过8级。
5、无火灾、爆炸、严重污秽、化学腐蚀及剧烈振动的场所。
型号含义

ZN63(VS1)-12系列户内侧装式高压真空断路器

概 述
ZN63(VS1)-12系列户内侧装式高压真空断路器系户内高压开关设备,适用于额定电压12kV、频率50Hz的三相电力系统中,作为保护和控制电器使用,由于真空断路器的特殊优越性,尤其适用于需要额定电流下频繁操作,或多次开断短路电流的场所。
ZN63(VS1)-12系列侧装式真空断路器采用固定式安装,主要用于固定式开关柜,该断路器既可单独使用,又可用于环网供电、箱式变或各种非标供电系统。
使用环境
1、环境温度:不高于40℃,不低于-10℃(允许在-30℃时储运)。
2、海拔高度:不超过1000m。(若需增高海拔,则额定绝缘水平相应提高)
3、相对湿度:日平均值不大于95%,饱和蒸汽压日平均值不大于2.2×10-3MPa,月平均不大于1.8×10-3-MPa。
4、地及烈度:不超过8级。
5、无火灾、爆炸、严重污秽、化学腐蚀及剧烈振动的场所。
型号含义

ZN63(VS1)-12系列户内手车式高压真空断路器

概 述
ZN63(VS1)-12系列户内手车式高压真空断路器是三相交流50Hz,额定电压为12KV的户内开关设备,可供工矿企业、发电厂及变电站、电气设施的控制和保护之用,并适合于频繁操作的场所。采用操动机构与断路器本体一体化,设计即可做为固定安装单元,也可配用专用推进机构,组成手车单元使用。主回路部分可采用整体固封极柱,以实现断路器小型化、高可靠、免维护,可配用KYN28A-12(GZS)等中置手车式开关柜,固定式也可配用于XGN系列固定式开关柜。
使用环境
1、环境温度:不高于40℃,不低于-10(允许在-30℃时储运)。
2、海拔高度:不超过1000m。(若需增高海拔,则额定绝缘水平相应提高)
3、相对湿度:日平均值不大于95%,饱和蒸汽压日平均值不大于2.2×10-3 MPa,月平均不大于1.8×10-3MPa。
4、地震烈度:不超过8级。
5、无火灾、爆炸、严重污秽、化学腐蚀及剧烈振动的场所。
型号含义

ZN63(VS1)-24系列户内高压真空断路器

概 述
ZN6(VS1)-24系列户内高压真空断路器为额定电压24KV、三相交流50Hz的户内高压开关设备,适用于发电厂、变电所及工矿企业等输配电系统的控制和保护开关,尤其适用于高海拔地区开断重要负荷及频繁操作的场所。
断路器的制造符合我国国家标准GB1984-2003《交流高压断路器》、DL/T403-2000《3.6-40.5kV户内真空断路器订货技术条件》以及相关的IEC标准,并具有可靠联锁功能。
断路器的操动机构为弹簧储能式,可以用交、直流储能操作,也可用手动操作。
断路器同时能配长寿命的永磁操动机构,机械寿命能达3万次,可用于极其频繁操作的场合。断路器设计成前后分装的结构形式,既可用作固定安装的单元,也可与底盘车配装成中置式单元使用。
使用环境
1、环境温度:不高于4O℃,不低于-10℃(允许在-30℃时储运)。
2、海拔高度:不超过3000m。(若需增高海拔,则额定绝缘水平相应提高)
3、相对湿度:日平均值不大于95%,饱和蒸汽压日平均值不大于2.2×10-3MPa,月平均不大于1.8×10-3MPa。
4、地震烈度:不超过8级。
5、无火灾、爆炸、严重污秽、化学腐蚀及据烈振动的场所。
型号含义

