户内高压真空断路器
- 厂家信息
- 产品信息
- 规格参数
- 技术文档
产品图片
VS1-12型户内高压真空断路器

概 述
VS1-12型户内高压真空断路器(以下简称断路器)适用于12kv电力系统的户内开关设备,作为电网设备、工矿企业动力设计的保护和控制单元,适用于投切各种不同性质的负荷和频繁操作、多次开断短路电流的场合。产品采用新型断路器操动机构,VSC一次部分可采用国际品牌固封极柱,将真空灭弧室与主导电回路零件固封成一个整体,保护灭弧室免受碰撞、灰尘和凝露的影晌,环境适应能力强,大大降低了运行维护费用,真正实现了产品一次部分免维护,操动机构少维护;操动机构与断路器本体一体式设计,经过型式试验验证;具有E2级电寿命、M12级机械寿命。
产品依据标准
断路器符合GB1984-2003《高压交流断路器》、JB3855-1996《3.6-40.5KV)户内交流高压真空断路器》DL/T403-2000《12-40.5KV高压真空断路器订货技术条件》和IEC62271-100:2001的相关要求。
使用环境
1、环境温度:最高温度+4O℃,最低温度-15℃
2、环境湿度:日平均相对湿度≤95%,月平均相对湿度:≤90%,日平均蒸气压≤22×10-3MPa,月平均蒸气压≤1.8×10-3MPa。
3、海拔高度:不超过1000m;
4、地震烈度不超过8度;
5、周围空气没有明显地受到尘埃、烟、腐蚀性和/或可燃性气体、蒸气或盐雾的污染。
注:超出以上正常使用环境条件的要求,需与厂方协商。
型号含义

JGF(R)-12型系列中置固封式真空负荷开关

概 述
JGF(R)-12型系列中置固封式真空负荷开关-熔断器组合电器(以下简称真空开关,是根据独特的设计概念并结合市场需求而研发的最新一代真空开关设备,它广泛应用于户内铠装式空气绝缘开关柜中。它符合GB3804-2004、GB16926-1997等标准的规定。在正常使用条件下,只要在真空开关的技术参数范围内,它就可以保证安全、可靠地运行于相应电压等级的电网中。
使用环境
1、环境温度:最高温度+40℃,最底温度-25℃;
2、环境湿度:日平均相对湿度:≤95%,月平均相对湿度:1≤90%:
3、日平均饱和蒸汽压:≤2.2×10-3MPa;
4、周平均饱和蒸汽压:≤1.8×10-3MPa;
5、海拔高度:不高于1500m;
6、地震烈度:不超过8度:
7、使用场所:无滴水,无易燃和爆炸危险,无化学腐蚀性气体无剧烈震动;
注:如产品使用环境条件超出以上规定,用户可与我公司协商确定。
例 :JGR(R)-12/T125-50-AC220-275-210即表示订购一台配套800mm柜宽的组合电器,其额定电流为125A,短路开断电流50KA,极间距275mm。
型号含义

10KV/24KV/40.5KV系列户内高压功能单元手车


VJG(C)-12GD户内高压三工位真空断路器

1、概述
VIG(C)-12GD系列户内高压三工位真空断路器具有优异的电气、机械性能,机构可靠稳定、寿命长。主回路采用固封极柱,提高了断路器的环境适应性和绝缘可靠性;可靠的机械和电子性能,延长的机械寿命和电子寿命,使断路器的免维护成为可能。其可用于3.6-12kV电力系统,作为电网设备,工矿企业动力设计的保护盒控制单元,适用于各种不同性质的负荷和频繁操作、多次开断短路电流的场合。产品拥有完善的机械和电气联锁装置,具有极高的操作稳定性和可靠性,确保操作人员和设备的安全,确保用电安全。
● 采用固封极柱技术。
● 产品采用模块式设计:框架结构,集成了隔离开关、固封真空断路器、接地开关、传感器、联锁机构、操作机构为一体的高性能小型化高压电气产品。
● 适配柜体尺寸为(450 x 1000 x 1800)mm。
● 旋转式隔离开关,分闸后具有可见的断口。
● 隔离开关、断路器、接地开关之间有强制机械联锁,防止误操作。
● 断路器采用模块式操作机构、可独立更换或检修、互换性好。可以用手动操作,也可选用交、直流储能操作.实现远程控制。
● 柜门与接地开关设计有可靠联锁结构,确保操作人员的安全。









VS1-12型户内高压真空断路器

概 述
VS1-12型户内高压真空断路器(以下简称断路器)适用于12kv电力系统的户内开关设备,作为电网设备、工矿企业动力设计的保护和控制单元,适用于投切各种不同性质的负荷和频繁操作、多次开断短路电流的场合。产品采用新型断路器操动机构,VSC一次部分可采用国际品牌固封极柱,将真空灭弧室与主导电回路零件固封成一个整体,保护灭弧室免受碰撞、灰尘和凝露的影晌,环境适应能力强,大大降低了运行维护费用,真正实现了产品一次部分免维护,操动机构少维护;操动机构与断路器本体一体式设计,经过型式试验验证;具有E2级电寿命、M12级机械寿命。
产品依据标准
断路器符合GB1984-2003《高压交流断路器》、JB3855-1996《3.6-40.5KV)户内交流高压真空断路器》DL/T403-2000《12-40.5KV高压真空断路器订货技术条件》和IEC62271-100:2001的相关要求。
使用环境
1、环境温度:最高温度+4O℃,最低温度-15℃
2、环境湿度:日平均相对湿度≤95%,月平均相对湿度:≤90%,日平均蒸气压≤22×10-3MPa,月平均蒸气压≤1.8×10-3MPa。
3、海拔高度:不超过1000m;
4、地震烈度不超过8度;
5、周围空气没有明显地受到尘埃、烟、腐蚀性和/或可燃性气体、蒸气或盐雾的污染。
注:超出以上正常使用环境条件的要求,需与厂方协商。
型号含义

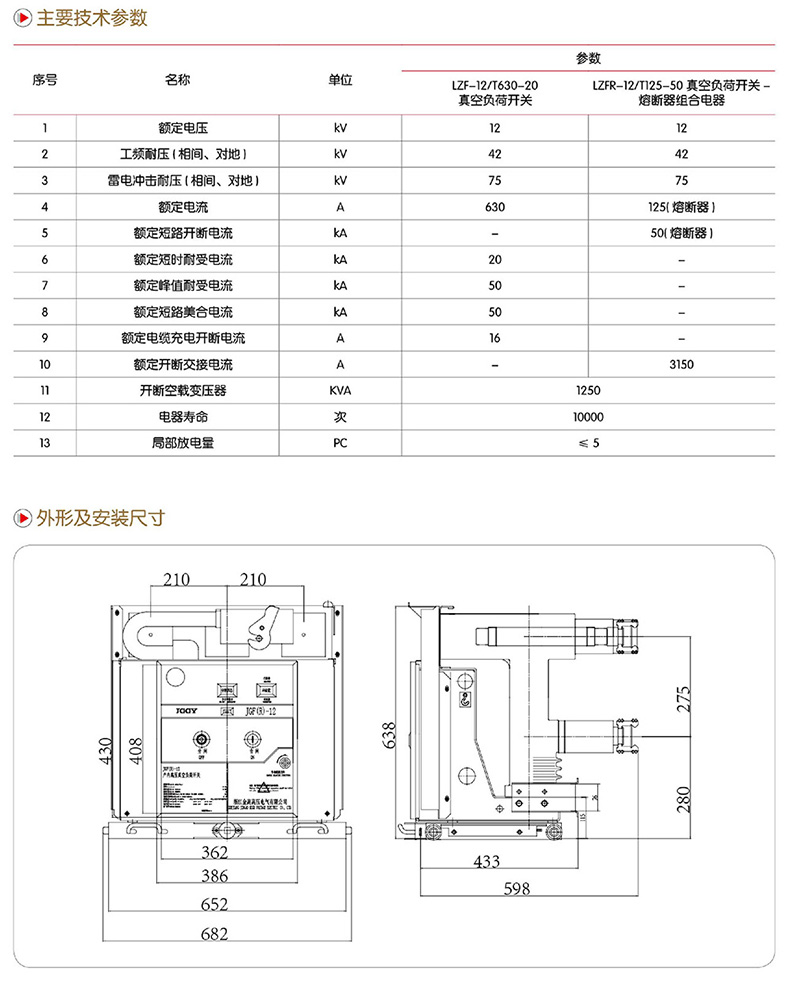
JGF(R)-12型系列中置固封式真空负荷开关

概 述
JGF(R)-12型系列中置固封式真空负荷开关-熔断器组合电器(以下简称真空开关,是根据独特的设计概念并结合市场需求而研发的最新一代真空开关设备,它广泛应用于户内铠装式空气绝缘开关柜中。它符合GB3804-2004、GB16926-1997等标准的规定。在正常使用条件下,只要在真空开关的技术参数范围内,它就可以保证安全、可靠地运行于相应电压等级的电网中。
使用环境
1、环境温度:最高温度+40℃,最底温度-25℃;
2、环境湿度:日平均相对湿度:≤95%,月平均相对湿度:1≤90%:
3、日平均饱和蒸汽压:≤2.2×10-3MPa;
4、周平均饱和蒸汽压:≤1.8×10-3MPa;
5、海拔高度:不高于1500m;
6、地震烈度:不超过8度:
7、使用场所:无滴水,无易燃和爆炸危险,无化学腐蚀性气体无剧烈震动;
注:如产品使用环境条件超出以上规定,用户可与我公司协商确定。
例 :JGR(R)-12/T125-50-AC220-275-210即表示订购一台配套800mm柜宽的组合电器,其额定电流为125A,短路开断电流50KA,极间距275mm。
型号含义

10KV/24KV/40.5KV系列户内高压功能单元手车


VJG(C)-12GD户内高压三工位真空断路器

1、概述
VIG(C)-12GD系列户内高压三工位真空断路器具有优异的电气、机械性能,机构可靠稳定、寿命长。主回路采用固封极柱,提高了断路器的环境适应性和绝缘可靠性;可靠的机械和电子性能,延长的机械寿命和电子寿命,使断路器的免维护成为可能。其可用于3.6-12kV电力系统,作为电网设备,工矿企业动力设计的保护盒控制单元,适用于各种不同性质的负荷和频繁操作、多次开断短路电流的场合。产品拥有完善的机械和电气联锁装置,具有极高的操作稳定性和可靠性,确保操作人员和设备的安全,确保用电安全。
● 采用固封极柱技术。
● 产品采用模块式设计:框架结构,集成了隔离开关、固封真空断路器、接地开关、传感器、联锁机构、操作机构为一体的高性能小型化高压电气产品。
● 适配柜体尺寸为(450 x 1000 x 1800)mm。
● 旋转式隔离开关,分闸后具有可见的断口。
● 隔离开关、断路器、接地开关之间有强制机械联锁,防止误操作。
● 断路器采用模块式操作机构、可独立更换或检修、互换性好。可以用手动操作,也可选用交、直流储能操作.实现远程控制。
● 柜门与接地开关设计有可靠联锁结构,确保操作人员的安全。









