产品详情
FKN12-12(R)D 压气式负荷开关
- 厂家信息
- 产品信息
- 规格参数
- 技术文档
锐腾电气科技有限公司是生产与销售相结合的科技型企业,经营灵活,是集电力设备研发、生产,销售等于一体的现代化企业。公司位于浙江省乐清经济开发区,与被誉为中国电器之都,中国电气智能化小镇的电气产品集中地柳市镇仅3.6公里,与温州龙湾国际机场,乐清高铁站,G15高速公路毗邻,便捷的交通助力企业更好的发展。
本公司主要生产高低压成套设备、控制柜,控制箱,箱式变电站、紧凑型预装式变电站,无功补偿及有源滤波设备,电力变压器、直流屏,电器电力元件等系列产品。
公司自创建以来,实施了高起点、高质量、高水平的“三高战略”,拥有一流的人才,一流的技术,一流的设备,严谨科学的质量管理体系,实行严格的科学管理,公司拥有先进的技术和现代化的生产设备,产品广泛适用于火电、水电、输配电、化工、矿山、油田、城乡电网改造及其它项目的配套使用。公司全面推行“用户满意工程”,专门成立了一支技术过硬的售后服务队伍,为客户解决各种技术难题,做到急客户之所急,想客户之所想。
产品图片
FKN12-12(R)D 压气式负荷开关

产品简介
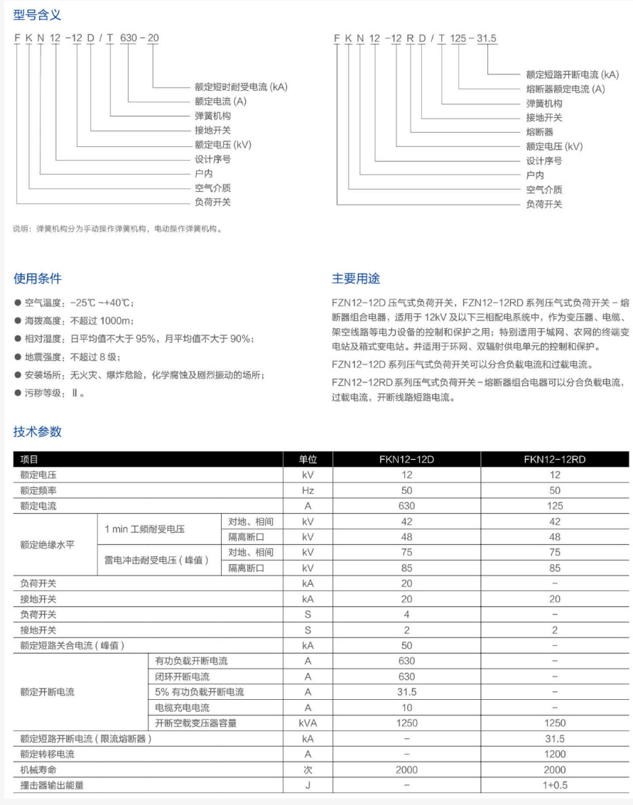
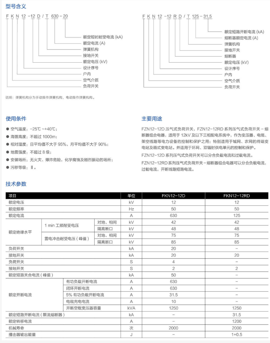
FKN12-12D/T630-20型户内交流高压负荷开关(以下简称FKN12-12D负荷开关)是额定电压为12kV,额定频率为50Hz的三相高压开关设备,用于分合负荷电流,闭环电流,空载变压器和电缆充电电流,关合短路电流。配装接地开关的负荷开关,可以承受短路电流。
FKN12-12RD/T125-31.5型交流高压负荷开关--熔断器组合电器是FKN12-12D负荷开关与S□LAJ-12(XRNT□-10)高压限流式熔断器组合在一起的户内高压开关设备。
它可以可靠开断直至短路电流的任何电流、负荷开关开断工作电流,熔断器开断短路电流,联合开断工作电流与全短路电流之间的任何过电流,同时熔断器通过其撞击器使负荷开关分闸。


